Vendas de equipamentos para Mineração e Planejamento de Produção
Integração perfeita entre produção e comércio exterior para o seu negócio.
★★★★★
Sobre a Wzyx Mogen
Somos especialistas em Planejamento ,Consultoria , Vendas e Implantação de soluções para a separação, produção e Beneficiamento de minerais com eficiência e qualidade, visando sempre a satisfação dos nossos clientes e o sucesso dos seus negócios.


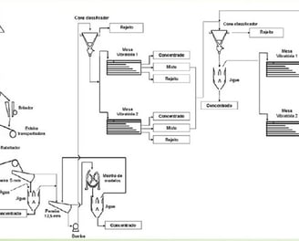
Separação de Cobre
Mesas e Centrífugas Concentradoras
Equipamentos projetados para recuperar com máxima eficiência os minerais desejados
Consultoria Especializada
Equipamentos Especiais para beneficiamento de Ouro com altíssimo grau de recuperação.
Processos de purificação de metais para altos valores de produtos a processar e grande capacidade de concentração






Limpeza, Separação e concentração de diferentes materiais em pesos específicos variados
Projetos Inovadores
Seja qual for sua necessidade estamos aptos para auxilia-lo no desenvolvimento de soluções integradas para planejamento e controle de produção.


Consultoria Eficiente no desenvolvimento de projetos para mineração
Oferecemos serviços de gestão que otimizam processos produtivos e comerciais.
Para separação e concentração de metais de diferentes pesos específicos